Beschreibung
Vollgeschirmter CAN Busstecker Special CR
Crimpflansch/Crimphülse für extrem hohe Anforderungen
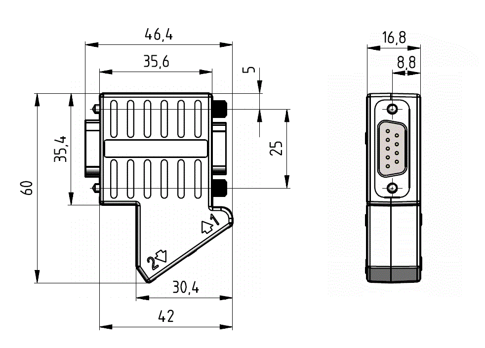
Die CAN Busstecker Compact CR haben einen Kabelabgang 90° für Anwendungen mit
begrenzter Einbautiefe. Das Crimpflansch-/Crimphülsesystem für den Kabelanschluss erzielt die vibrationssichere 360° Schirmanbindung und Zugentlastung speziell für Anwendungen mit sehr hohen Anforderungen wie Bahntechnik und Transport.
Technische Merkmale
- Der vibrationssichere zuverlässige Feldanschluss für CAN-Buskabel
- Kabelabgang 55° für übereinanderliegende Schnittstellen
- Funktionssichere fehlerfreie Datenübertragung bei hohen Anforderungen
- Hohe Sicherheit im CAN-Netzwerk
- Einfacher sicherer CAN-Busleiteranschluss mit Schraubklemme
- Massiver Schalterhebel für extern bedienbare Busterminierung
- Zinkdruckguss-Gehäuse mit hoher Abschirmung durch spezielles Design
- Zinkdruckguss-Gehäuse bietet sicherer Schutz in rauer Umgebung
- Vibrationssichere Schirmanbindung und Zugentlastung mit Crimpflansch/-hülse
- 360° EMI/RFI Schirmung durch Crimpflansch/-hülse und Vollmetallgehäuse
- Versionen mit 2tem D-Sub Stift als PG/Diagnoseschnittstelle









