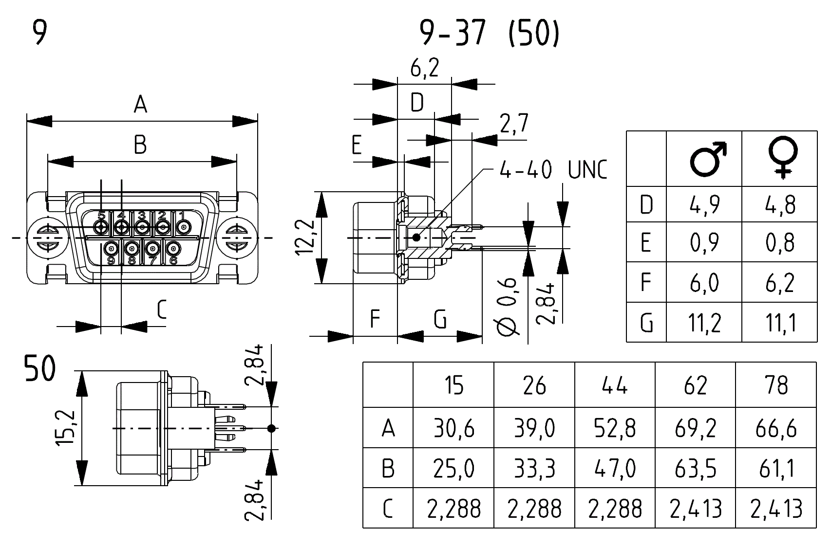
Beschreibung
Boardlock Einlötanschluss 180°
mit gedrehten Kontakten
- Boardlock: Befestigungsclip und Gewindebolzen in einem
- In einem Arbeitsgang wird der Stecker auf der Platine eingerastet, fixiert
und bietet ein UNC4-40 (oder M3) Gewinde zum Befestigen an - Dadurch sichere und rationelle Platinenmontage möglich
- Hochwertige, präzise gedrehte Clipbolzen
- Effektives Grounding durch massive Befestigungsbolzen
- Gedrehte Kontakte komplett vergoldet über Ni
- Hohe Strombelastbarkeit durch gedrehte Kontakte
- Thermoplast UL 94 V-0








