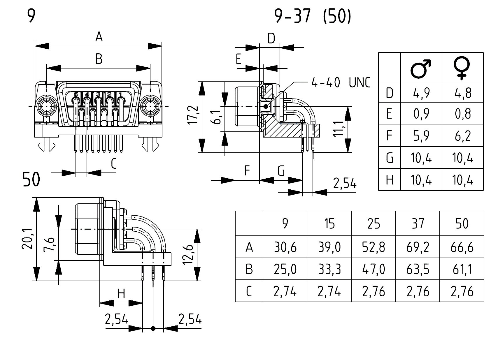
Beschreibung
D-Sub Steckverbinder Einlötanschluss 90°
gedrehten Kontakten mit Kunststoff- und Erdungswinkel und Rastclip
- Platinenbefestigung und Masseverbindung in einem
- Integriertes, einfaches UNC 4-40 oder M3 Gewinde
- Zur rationellen Montage
- Kunststoffwinkel mit Positionierplatte
- Zum problemlosen Einsetzen auf der Platine
- Gedrehte Präzisionskontakte
- Thermoplast UL 94 V-0








