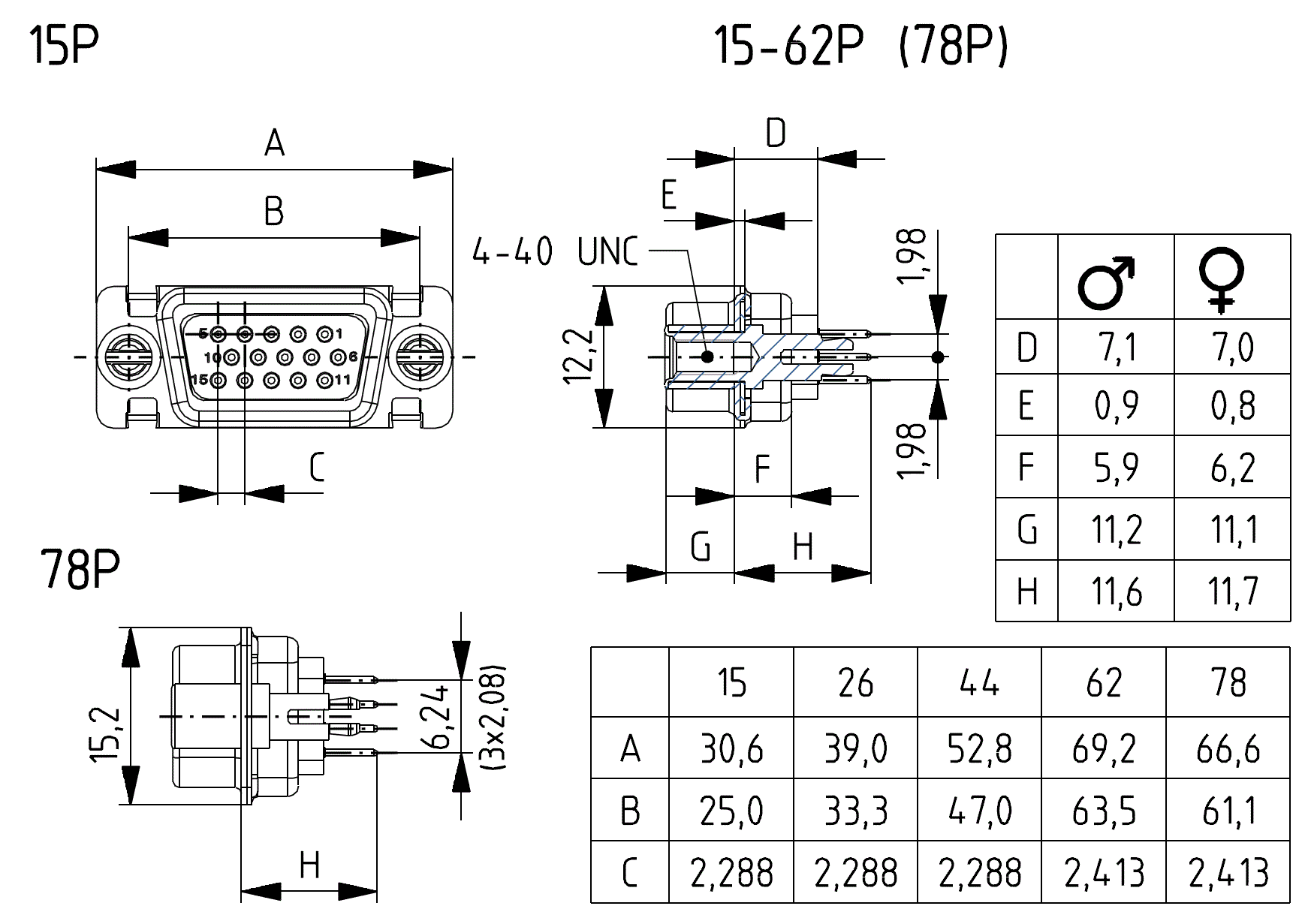
Description
High Density Combilock solder pins 180°
With machined contacts
- Mounting clip, spacer and threaded bolt in one
- In one operation, the connector is snapped in on the circuit board, fixed at the right distance and offers a UNC4-40 thread for mounting
- Therefore a safe and rational circuit board assembly is possible
- High-quality, precisely turned clip bolts
- Available as Boardlock without bolts
- Turned contacts are gold-plated selectively







